低频为什么用RC滤波 rc低通滤波器

一、低频为什么用RC滤波

低通滤波器(简称为lpe)就是让低频信号通过,阻止高频信号通过。一般用于去掉输入信号中不必要的高频成分,去除高频干扰。另外,在选频网络中也有应用。

1、电源滤波就是一个典型的rc低通滤波器,设计的截止频率为50hz以下,它让直流通过,阻止50hz以上的频率通过。

2、在一些好些的音箱,有高音、中音、低音三种喇叭,为了将音频中的各频率段分别提供给给它们,往往内部装有三分频网络,这是lc低通滤波器、高通滤波器、带通滤波器一起使用的应用实例。

二、实际rc低通与理想低通滤波器频谱为什么不同

区别当然很大。低通就是让低于一定频率的信号通过。如果你的低通滤波器的截止频率大于10HZ小于530HZ,那么滤波后输出的信号中只有10HZ的信号成分;如果你的低通滤波器的截止频率大于530HZ,那么滤波后输出的信号中不但有10HZ的信号成分也会有530HZ的成份。

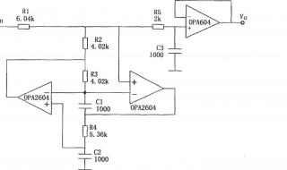
三、二阶rc低通滤波器计算公式

低通滤波器的计算公式

一、低通滤波器的计算公式:

rc低通滤波器

f=1/2πRC

从电阻端进入,然后通过一个电容接地,从电容端取信号,知道电容是通高频阻低频,所以电容对高频信号呈现很低的阻抗,信号被接地,所以低频信号通过,称为低通滤波器,高通滤波器和低通滤波器正好相反,电阻和电容位置互换。

二、rc低通滤波器计算公式

rc低通滤波器计算公式

对于无源RC一阶低通滤波电路,其传递函数为G(s)=1/(RCs+1)。转换为信号经过它的衰减的计算方法为:

Uo=Ui/[(2*Pi*f*R*C)^2+1]^0.5

式中:Uo为输出电压;Ui为输入电压;Pi为圆周率;f为信号频率。

对于无源RC二阶(以上)低通滤波电路,由于此处用文字行不太好表达,因此略过。

1、基本型的音频RC滤波电路

最常用的滤波电路应该是很基本的RC滤波,不管是高通型或是低通型,公式所示:

Freq-6dB = 1 / 2πRC

但是在应用上,却很少去考虑这个公式是可以活用的。在整个电路上,当然会有很多的RC组合,如果每个都套用这个公式,那最后的频率响应不就是衰减了几十dB去了。如果全部都让它所有音频通过,只留下一个RC滤波来控制频率响应,那么区除杂讯的效果就变差了。

举例,如果有三组低通滤波电路,我们需要设计在 -6dB为20 KHz。每一组在20 KHz的频率点,只能有2dB的衰减量。那么公式就要修正为

Freq-2dB = (1 / 2πRC) * 1.6

也就是电阻或电容的数值,必须减少1.6倍。(6dB – 2dB = 4dB = 1.6)

2、高衰减度的音频陷波器

双T型滤波电路,能够针对特定的音频频率点产生很高的衰减度,用来做简易的音频失真仪更是好用,因为失真仪是很昂贵又很容易损坏的仪器。只要在交流微伏表的输入端,加装可切换的双T型滤波电路,就可以当音频失真仪使用。例如未经双T型滤波电路的电表读数为0 dBm, 但是经过双T型滤波电路后为 -40 dBm, 则失真率为 1 %。(因为相差40 dB为100倍)

陷波器的频率点为:Freq-trap = 1 / 2πRC

rc低通滤波器

数值设定为:R1 = R2 = R, C1 = C2 = C, C3 = 2C, R3 = R/2

理论上如果RC数值搭配准确时,可达到60 dB的衰减度。但是如此Q值太高,会使滤波的有效频宽太窄,容易产生频率偏差。一般建议故意将数值偏差,使Q值降低到40-46 dB的衰减度, 比较有实用价值。

四、rc低通电路的性质

1、RC低通网络频率特性的特点是随着频率的增加, 低频信号可以通过, 高频信号被衰减或抑制。

2、在基本的RC滤波电路中:

3、C做输出端就是低通滤波器,R做输出就是高通滤波器基本原理是,当电容和电阻串联时,若电源为直流电(f=0 ),由于电容的隔直作用,故只有电容两端有电压,而电阻两端的电压为0,若电源为交流电(f>0 ),电容导通,频率越高导通阻抗越小,因而高通,考虑一个连续的过程,当电源频率由0变大时,电容两端电压由大变小,因而低通,而在高通电路中,电阻两端的电压由0慢慢变大,因而高通。

五、一阶RC电路低通滤波器的频率特

1、一阶RC电路是一种常见的低通滤波器,用于在电路中滤除高频信号,只传递低频信号。它由一个电阻(R)和一个电容(C)组成。

2、频率特性是用来描述滤波器对不同频率信号的响应。在一阶RC低通滤波器中,频率特性可以由传递函数来表示,传递函数为:

3、H(jω) = 1 / (1 + jωRC)

4、其中,H(jω)表示频率为ω时的传递函数值,ω是角频率,j是虚数单位。

5、根据传递函数,我们可以计算RC低通滤波器的频率响应。当频率ω很低时,传递函数接近1,说明低频信号能够较好地通过滤波器。而当频率ω很高时,传递函数趋近于0,说明高频信号被滤除。在截止频率ωc处,传递函数的值为1/√2,此时该频率的信号被滤波器传递的幅度减小了约3dB,也被称为-3dB截止频率。

6、截止频率ωc可以由以下公式计算:

7、ωc = 1 / (RC)

8、根据截止频率的值,可以确定RC低通滤波器对不同频率信号的响应。在截止频率以下的低频信号可以通过滤波器传递,而高于截止频率的高频信号则被滤除。

相关新闻

联系我们

联系我们

888-888-8888

在线咨询: 点击这里给我发消息

邮件:admin@015k.cn

工作时间:周一至周五,9:30-18:30,节假日休息

关注微信
关注微信
分享本页
返回顶部